Help | News | Credits | Search | Guestbook | Forum | Shop | Contact Us | Welcome

Westwood Works 1903-2003

Life at Westwood Works

This section shows something of life in both the Works and Offices over nearly a century. Further images can be found in Westwood Works in 1923, Baker Perkins in World War 1 and World War 2, and Awaiting the Developers.

In the Factory

1900 - 1969

1905: Inside the Aublet Harry factory Pre 1918: WP&P Foundry Workers 1920: Inside The Works (which shop?) 1920's: Inside the Aublet Harry Factory 1920's: Hector Reedman in the Machine Shop 1920's? - Westwood Foundry Workers - A 21st Birthday Celebration 1927: The Pattern Shop
1946: Electrical Apprentices 1950?: Bill Chapman at work 1951: Frank Coaten and Glen Costin - Gearcutters 1958: Inside the Fitting Shop 1960: Jack Randall with his model of Yates Welding Plant in Trawsfynydd Nuclear Power Station in N. Wales 1962: Frank Pacey at work in the Foundry 1965: Mick Bingham working on a Nitro Incorporator
Date?: The Tinsmiths 1966: New Floor for Printing Fitting Shop. Following the successful showing of two Halley-Aller printing presses at the Paris Exhibition in 1965, it was decided that this business was so important that a great deal of re-organisation was necessary at Westwood. Norman Mountain, chairman of the Board of Management became Divisional Manager of Printing as well as his other duties and significant investment was made in the factory. Heavier cranes and special machine tools were installed and a new floor constructed in the Printing Fitting Shop. The foundations for this were several feet deep and its surface was checked with optical alignment telescopes to ensure that all surfaces were level to within one-eighth of an inch overall. This floor could carry printing presses weighing several hundred tons. 1968: Making moulds for printing m/c covers in the Pattern Shop 1969: The Canteen Cooks prepare Christmas Lunch
1969: Ken Goodrich, Blacksmith at work
Alan Dann, who started his career at Baker Perkins in 1943 taking details of railway wagons as they entered the site, remembers some of those who worked in the Chocolate & Confectionery section of the Fitting Shop in the immediate post-war period (1945 - 1950):

1970 - 1979

1973: At work in the Shaft Section 1973: Ted Dudding and Alf Hall in the Pattern 1973?: Making Moulds for Glass-fibre Printing M/c Guards 1974: Part of the Machine Shop 1974: Component machining 1974: High Precision Jig Borer 1974: Pouring a large casting
1974: Finishing a Biscuit Roll 1976: Jack Larman's Fitting Shop 1977: Getting medical attention 1979: Building a Printing Press Late 1970's: Biscuit Fitting Shop Late 1970's: Biscuit Fitting Shop 1970s: The Small Milling Bay
1979/80: A G16 press in Experimental ready for Customer trials

1980 - 1989

1982: Graham Crockett and Steve Harbour working on an Enrober 1982: Automatic machining of biscuit rolls 1982: Group Technology component manufacture 1982: Computerised Turret Press 1983: Works Foremen 1984 - Steels Stores Personnel 1984: The first Steel Stores
1984: The first Steel Stores 1984: The first Steel Stores 1985: Part of the Pattern Shop 1985: Fred French pouring a Casting 1985: Preparing a Sand Mould 1985: Alf Hall checks a Pattern for a Large Casting 1985: Margaret Farrow in the Foundry Laboratory
1985: Cereal Cookers being assembled in KL Bay of the Fitting Shop. 1986: Using Microprocessor Technology 1986: Producing biscuit cutting rolls 1986: The Printing Fitting Shop 1986: Testing equipment in the Experimental Department 1986: Testing a Printing Press Module 1987: Dave Symonds works on an MPF100 Extruder
1988: Frame Cell (Stuart Cadman upper centre, Mick Lord lower centre) 1988: Frame Cell: Stuart Cadman at work 1988: The Waldrich Siegen machining centre 1988: Mick Lord at the Waldrich Siegen machining centre in the Frame Cell 1988?: Looking West towards the main yard, G16 Presses being built in the Fitting Shop 1988: Frame Cell (Tony Evans in white shirt) Early 1980s?: Foreman Derek Swallow with new Accurist 367 divider in Bakery fitting shop.
           
1987: Printing Fitting Shop Foremen (Mick Bentham, Barry Mounce)            

The L70 Bay

Erected in 1935 - this was the first (south end) bay of the Plate Shop. So named because it was where both during and after WW2, the famous L7040mm Bofors Anti-Aircraft Gun was assembled. Part of the bay was later used - from the mid 1970s onwards - to develop the Printing Division's innovative approach to the production of its G16 Printing Press Plate and Blanket cylinders. A one-piece solid steel forging had a unique welded stainless steel surface applied on a lathe before being ground, with its running bearings (high precision taper bore spherical bearings) fitted, and then dynamically balanced. (See here).

1982 - The L70 Bay

1990 onwards

1991: View of the Fitting Shop 1992: HS Folder for Cradleyprint, during testing in "O" bay 1992: HS Folder for Cradleyprint, during testing in "O" bay 1992: In the Printing Machine Shop Date?: G14 Press being assembled. (Geoff Steels extreme right) Date?: G16 Printing Cylinder Date?: Christmas in Roger Smith's Fitting Shop
Date?: Spares Department Date?: The C&C Fitting Shop? Date? :Bob Browning at Work Date?: In the Printing Fitting Shop Date?: Chrome Plating Shop with John Chilton Date?: Dave Shaw in the Marston Hut Date?: KL Bay. R to L: Barley Meadows, Graham Conquest, Stan Wilson and Mark Ramsden
Date?: Reg Copestake at work in the Foundry Date?: The Fitting Shop

In the Offices

1900 - 1969

1923: The Baker Perkins Bakery Dept Commercial Office 1948: Ann Dann and the Hollerith Department Girls 1954: The Hollerith Department 1956: The Drawing Office Archives 1956: The Typing Training Section 1957: The Typing Pool - 5th Floor. 1933 Office Block
1964: Computer Punch Operators 1961: The Drawing Offices 1964: The first English Electric Leo Computer 1967: New Personnel Department Reception Area 1967: Inside the CPO 1969: Bakery Sales Correspondents 1969: Bakery Sales Correspondents
1969: Westwood Works Telephone Switchboard 1969: The second English Electric Computer
An early 1960s view of Health & Safety. Presumably the "comprehensive factory act" is the 1961 Factory Act, a major piece of legislation which consolidated all the previous Factory Acts from 1937 to 1959. The poem's author Fred Popely was a long-term employee, from 1933 to 1983.

1970 - 1979

1970: Inside Bismark's "Black Shed" 1971: Sister Moules Dispensing Comfort from the Surgery 1974: In the Mainframe Computer Room 1974: Ordnance Survey Map showing the Bismark Temporary Offices 1974: Industrial Designers at work 1974: A Marketing Planning meeting 1975: It's Pay Day!
1975: Floor by floor layout of the new office block 1977: Norman Mountain tries out the new CAD equipment 1978: The Telephone Girls

1980 - 1989

1980: Derrick Turner at his Drawing Board 1982: Getting Ready for a Photo Shoot 1982: Discussing a design issue in the D/O 1982: CAD/CAM systems 1983: Customer training 1986: Commercial Services Office 1986: Designing electronic systems
1986: Using CAD/CAM equipment 1986: Computers in the Commercial Office 1986: The CAD/CAM Drawing Office 1986: CAD Station in the Drawing Office 1986: Floor Layout of Office Blocks 1986: The PMC Reception Area 1986: The Customer Services Department
1986: The Customer Services Department 1986: The Customer Services Department 1987: Red Nose Day in the Shipping Department

1990 onwards

1990: Design Team at Work 1990: Peter Carter at a D90 CAD station 1991: 3rd Floor Drawing Office 1991: Mick Bean and John Staples getting ready to move 1991: Dave Bradshaw doing a spot of cleaning 1991: 3rd Floor Drawing Office 1991: 3rd Floor Drawing Office
1991: 3rd Floor Drawing Office 1991: 3rd Floor Drawing Office 1991: 3rd Floor Drawing Office 1991: Mark Shearsmith and Ray Dacey in the D.O. This will bring back memories! "Memories of The Archives" - by Bernard Carr

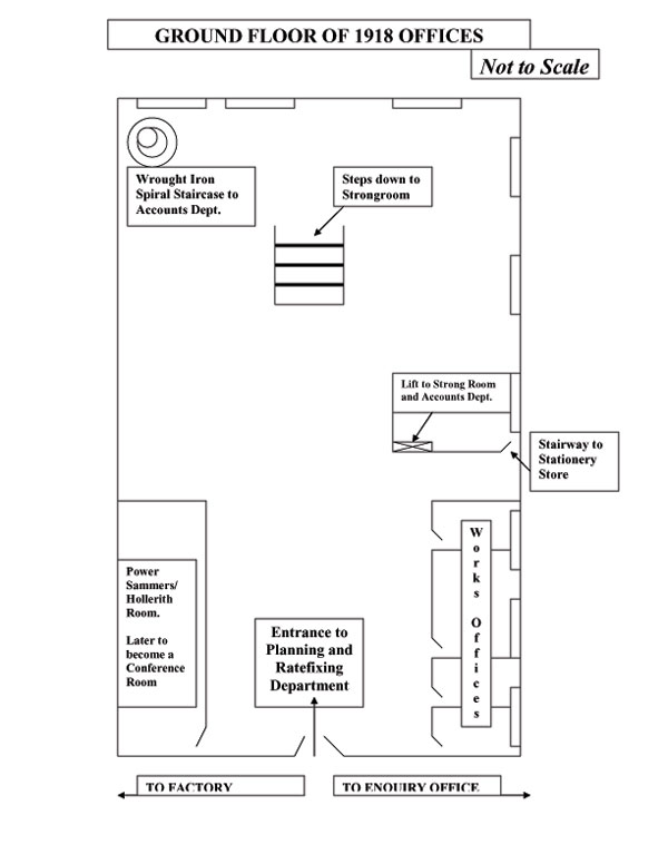
OFFICE ACCOMMODATION

At the east (railway) end of the site was the original office building, built as a single storey in 1904 with a second floor added in 1918. The offices housed:

  • First Floor - Accounts Department

  • Ground Floor - Planning and Ratefixing Department, the Power Samas/Hollerith Room, Works Offices and other ancillary departments.

  • Basement - Strong Room and Stationery Store.

Access to these was by either a small lift, situated centrally on the south side of the building, or by a narrow wooden twisting stairway, adjacent to the lift. The activities housed in the basement were:

THE STRONG ROOM

The basement housed the Strong Room. access to which was by steep concrete steps. At the bottom were two steel doors. To the left a hinged door led to the secure area where the private papers of the Bakers, Perkins and others who were associated with the company were held. Many of these papers were used by Augustus Muir to produce his ‘The History of Baker Perkins’ book. Access to this area was restricted to only a few authorized personnel.

To the right of the steps was a very thick and heavy sliding door, controlled by a pulley and a counterweight. Behind this was a complex array of filing racks filling the whole floor area almost to ceiling height. These racks contained documents relating to customers' orders and items relating to the final costs of manufacturing, including Power Samas/Hollerith cards, works time tickets, Commercial Department orders etc. At the end of each working day the door was closed locked to keep the area safe and secure.

During WW2, the Strong Room it was also used as a shelter for employees in the adjacent offices and housed blankets and fire extinguishers, etc. (See Westwood Works in WW2)

THE STATIONERY STORE

The Stationery Store was also located in the basement and Secretaries and other authorized members of staff would obtain stationery items for their respective departments on a weekly basis. Much of the stationery used within the various departments of Westwood Works, and elsewhere in the Group, was produced on site. (See also The Lithographic Department)

Customer Demonstration Facilities

Customer Demonstration Facilities over the years

 

Can you help to fill in any missing dates? If so, please see this page for instructions on how to contact us and we'll update the captions.

All content © the Website Authors unless stated otherwise.